رأس قطع ليزر روبوتي ثلاثي الأبعاد بقدرة 3 كيلوواط - تركيز يدوي 3kW 3D Robotic Laser Cutting Head (Manual Focus)
LCR03
رأس قطع ليزر بتقنية التركيز اليدوي مزود بمحور متابعة مدمج لقطع الأشكال ثلاثية الأبعاد المعقدة بدقة عالية
LCR03
رأس قطع ليزر بتقنية التركيز اليدوي مزود بمحور متابعة مدمج لقطع الأشكال ثلاثية الأبعاد المعقدة بدقة عالية
هذه رؤوس قطع ليزر ثلاثية الأبعاد للاستخدام في روبوتات آلية بقدرة 3 كيلوواط وتركيز يدوي تستخدم نظام تبريد بالماء للحفاظ على درجة حرارة ثابتة أثناء التشغيل الطويل، مما يضمن أداءً مستقراً وموثوقاً
عند حدوث صدمة، حيث يقوم نظام الحماية من التصادم بإعادة الضبط تلقائياً لضمان استمرارية العمل دون تلف.
كما يتميز الهيكل بخفة الوزن وتصميم محكم الغلق ضد الغبار، ما يسهّل التعامل مع الرأس وأعمال الصيانة.
كما أن العدسات محمية بمجموعة نوافذ بصرية ثلاثية الطبقات مقاومة للتآكل وتمنع التلوث لضمان جودة القطع ودقة النتائج.
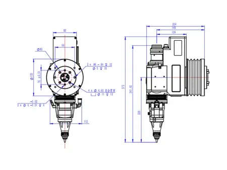
| النوع | رأس قطع ليزر ثلاثي الأبعاد للروبوتات – تركيز يدوي لأداء عالي الدقة | 
| الطراز | LCR03 | 
| وضع التركيز | تركيز يدوي | 
| نوع الواجهة | QBH | 
| الطول الموجي | 1080 نانومتر مع تباين ± 10 نانومتر | 
| القدرة المقدرة | لا تتجاوز 3 كيلوواط | 
| البُعد البؤري (المسافة البؤرية) | 125 مم / 150 مم | 
| طول تجميع الشعاع (طول التوازي الضوئي) | 75 مم | 
| نطاق التركيز | من -12 مم إلى 12 مم / من -9 مم إلى 9 مم | 
| المسافة القصوى المتاحة لضبط المحاذاة المركزية (نطاق ضبط المحاذاة المركزية) | دقة ضبط تصل إلى ±1.5 مم | 
| دقة تحديد موضع التركيز اليدوي | 0.1 مم | 
| مدى حركة التتبع (شوط التتبع) | 27 مم | 
| سرعة التتبع | حتى 250 مم في الثانية | 
| ضغط الغاز المساعد | حتى 2.5 ميجاباسكال | 
| الوزن | 5 كجم | 
تعمل رؤوس القطع الليزري ثلاثية الأبعاد هذه على ماكينات القطع ذات الخمسة محاور وخلايا الروبوت المخصصة لأعمال هياكل السيارات، والأجنحة، واللوحات الخارجية الأخرى، حيث تتميز بقدرتها على معالجة صفائح الفولاذ الكربوني، والألمنيوم، والنحاس، والمعادن المجلفنة مع ضمان جودة متسقة ودقة عالية في الأداء.
نظام تبريد مائي مغلق عند واجهة/موصل QBH يحافظ على استقرار درجة الحرارة ويمنع تكوّن التكاثف على المكونات البصرية، مما يضمن أداءً مستدامًا ومتسقًا خلال فترات التشغيل الطويلة.
يعمل نظام التحديد الثلاثي المخروطي على إعادة الرأس إلى موضعه الأصلي بعد حدوث صدمة، مما يحافظ على دقة المحاذاة باستمرار.
وحدة المتابعة المتكاملة (تحكم بالفاصل السعوي) مغلقة بالكامل وخفيفة الوزن، تحمي من دخول الغبار مع قدرة عالية على تتبع الأسطح بسرعة لضمان قطع دقيق وعالي السرعة.
تعمل ثلاث طبقات من النوافذ الواقية على حماية العدسات البصرية الأساسية من الرذاذ والأتربة، مما يزيد من متانة الجهاز ويضمن استمرارية الأداء وجودة الإنتاج اليومي.
يعتمد نظام الحماية على حامل حساس مرن مزود بمسامير قص مخصصة تنكسر بأمان عند حدوث تصادم، مما يحمي رأس القطع ويُرسل على الفور إشارة توقف إلى وحدة التحكم لضمان سلامة الجهاز واستمرارية العمل.
يعمل نظام كشف التصادم المتكامل مع وحدة التحكم على قطع الطاقة تلقائياً فور الاصطدام، مما يمنع الأضرار المحتملة ويضمن استمرارية العمل بأمان وكفاءة عالية.
 
                                                                                                            
                                                    رأس قطع ليزر روبوتي ثلاثي الأبعاد بقدرة 4 كيلوواط - تركيز تلقائي 4kW 3D Robotic Laser Cutting Head (Auto Focus)
 
                                                                                                            
                                                    رأس قطع فايبر ليزر (بألياف الليزر) بقدرة 3 كيلو وات - تركيز يدوي 3kW Fiber Laser Cutting Head (Manual Focus)
 نظام الفحص البصري للمواد المغناطيسية – دقة عالية وسرعة فائقة لفحص الأبعاد Magnetic Material Vision Inspection Machine
                                                                                    ckw-group.asia
                                                                                    
                                        نظام الفحص البصري للمواد المغناطيسية – دقة عالية وسرعة فائقة لفحص الأبعاد Magnetic Material Vision Inspection Machine
                                                                                    ckw-group.asia
                                                                             ماكينة طباعة آلية على زجاج الأجهزة المنزلية فئة VA  Automatic Screen Printing Machine for Home Appliance Glass
                                                                                    glassprintmachine-ae.com
                                                                                    
                                        ماكينة طباعة آلية على زجاج الأجهزة المنزلية فئة VA  Automatic Screen Printing Machine for Home Appliance Glass
                                                                                    glassprintmachine-ae.com
                                                                             ماكينة القص والتجعيد الأوتوماتيكية بالقالب المسطح مزودة بوحدة إزالة النفايات (موديل قوي للخدمة الشاقة)
                                                                                    diecutting-ae.com
                                                                                    
                                        ماكينة القص والتجعيد الأوتوماتيكية بالقالب المسطح مزودة بوحدة إزالة النفايات (موديل قوي للخدمة الشاقة)
                                                                                    diecutting-ae.com
                                                                            
 
                                                 
                                                 
                                                
 
                                                                                                             
                                                                                                             
                                                                                                     
                                                                                                     
                                                                                                     
                                                                                                     
                                                                                     
                                                                                     
                                                                                     
                                                                                     
                                                                                     
                                                                                     
                                                                                     
                                                                             
                                                                             
                                                                             
                                                                             
                                                                             
                                            
                                         
                                            
                                         
                                            
                                         
                                            
                                         
                                            
                                        